法蘭連接API鑄鋼閘閥

法蘭連接API鑄鋼閘閥

  • 質量穩定
  • 價格合理
  • 交貨快捷
  • 泰通閥門為您提供全套工程閥門解決方案
  • 銷售:021-6810 3333    6139 0811
  • 傳真:021-5168 6322
  • 地址:上海南匯空港工業區金聞路1288號

詳細介紹

產品用途
法蘭連接API鑄鋼閘閥適用于ANSI Class 150~2500,工作溫度<600℃的石油、化工、火力電站等各種工況的管路上,切斷或接通管路介質。適用介質為:水、油品、蒸汽等。操作方式有:手動、齒輪傳動、電動、氣動等。

產品結構特點
1.產品設計制造按API標準,密封可靠,性能優良、能與進口設備配套使用。
2.600Lb以上閘板與閥座密封采用司太立(stellite)鈷基硬質合金堆焊而成,耐磨、耐高溫,耐腐蝕,抗擦傷性能好、使用壽命長
3.閥桿經調質和表面氮化處理,有良好的抗腐蝕性和抗擦傷性。
4.采用楔式彈性閘板結構,中大口徑設置滾動軸承,啟閉輕松。
5.閥體材料品種齊全,填料、墊片根據實際工況或用戶要求合理選配,能適用于各種壓力、溫度及介質工況。
6.1500LB、2500LB中腔采用壓力自緊式密封結構。密封性能隨內壓升高而升高,可靠性高。
7.倒密封采用不銹鋼螺紋連接密封座或本體堆焊奧氏體不銹鋼而成,倒密封可靠,填料更換和維修可在不停機情況下進行,方便快捷不影響系統運行。

性能規范

型號
公稱壓力
(MPa)
實驗壓力
工作溫度(℃)
適用介質
強度(水)(Mpa)
密封(水)空氣
低壓密封空氣(Mpa)
Z4IH6C
Z41W6P(R)
1.6
2.4
1.8
0.6
≤200
NITRICACID
硝酸類
ACETICACID
醋酸類
NITRICACID
Z41W-25P(R)
2.5
3.8
2.8
0.6
≤200
硝酸類
Z41W-40P(R)
4.0
6.0
4.4
0.6
≤200
ACETICACID
Z41W-64P(R)
6.4
9.6
7.0
0.6
≤200
醋酸類

主要零件材質

閥體/閥蓋
ZG1Cr18Ni9Ti
ZG00Cr18Ni10
ZG1Cr18Ni12Mo2Ti
ZG00Cr17Ni14Mo2
WCB
零件名稱
ZG1Cr18Ni9Ti系列
ZG00Cr18Ni10系列
ZG1Cr18Ni12Mo2Ti系列
ZG00Cr17Ni14Mo2系列
WCB系列
閘板
ZG1Cr18NI9Ti
ZG00Cr18Ni10
ZG1Cr18Ni12Mo2Ti
ZG00Cr17Ni14Mo2
1Cr13
閥桿
1Cr18Ni9Ti
ooCr18Ni10
1Cr18Ni12Mo2Ti
ooCr17Ni14Mo2
1Cr13
填料
PTFE編織
PTFE編織
PTFE編織
PTFE編織
石墨Graphite
墊片
304L+PTFE
304L+PTFE
316L+PTFE
316L+PTFE
石墨+304
Graphite+304
壓蓋
ZG1Cr181Ni10
ZG00Cr18Ni10
ZG1Cr18Ni12Mo2Ti
ZG00Cr17Ni14Mo2
WCB
填料壓環
1Cr18Ni9Ti
00Cr18Ni10
1Cr18Mi12Mo2Ti
00Cr17Ni14Mo2
1Cr13
螺栓
1Cr171Ni2
1Cr171Ni2
1Cr171Ni2
1Cr171Ni2
35CrMoA
螺母
1Cr18Ni9Ti
1Cr18Ni9Ti
1Cr18Ni9Ti
1Cr18Ni9Ti
45

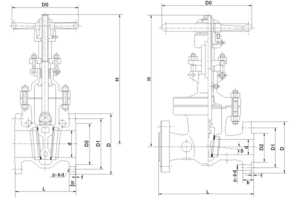
產品尺寸

溫馨提示:“法蘭連接API鑄鋼閘閥”所有文字、數據、圖片均只適用于參考。
如需與實物相吻合的性能參數、結構尺寸參數等詳情請來電來函索取。
電話:021-68103333    傳真:021-51686322
  • 泰通二維碼掃一掃關注我們
  • 聯系我們
  • 公司地址:上海南匯空港工業區金聞路1288號
  • 浙江基地:溫州甌北東甌工業區
  • 銷售:021-68103333 
  • 傳真:021-51686322
  • 郵箱:ttv@shttv.com
© 2017 上海泰通閥門有限公司 版權所有 滬ICP備07023727號
Top

[關閉]免費接聽泰通銷售工程師電話

輸入手機或固定電話號碼,點擊“免費咨詢”按鈕后,
我們的服務人員會在15秒內回撥您。

手機請直接輸入:如 13878800000
座機前請加區號:如 02168103333
我們已對本次通話全程加密,您的通話費用我們已經幫您支付,請放心接聽!
免費通話所產生的費用由我們來支付,請放心接聽!
銷售熱線:021-6810 3333